用途
+本高壓柱塞泵適用于沖洗行業及工業增壓行業,與大型機組搭配使用。
特點
1、 曲軸箱和泵體采用高強度合金鑄鐵精密鑄造。曲軸為高強度合金鋼精密鍛壓成型,保證曲軸材料有足夠的強度。采用高性能陶瓷柱塞,具有硬度高、耐磨、耐高溫、耐腐蝕等性能,保證材質性能可靠。
2、連桿采用精密鍛壓鋁合金。配合專用連桿銅套及軸瓦,使連桿更耐磨、潤滑更好。軸承選用圓柱滾子軸承和調心滾子軸承,相較于普通軸承擁有承載力更大,聲音更輕,使泵的壽命更長的特點。
3、水封為定制密封件,具有良好的耐磨性、耐高溫、抗疲勞性,即使在壓力變大,高溫以及低潤滑的情況下,該密封系統也能保證正常工作。
4、單向閥采用不銹單向閥閥片及組合特制密封減噪材料,具有使用溫度范圍更廣泛,更好的抗腐蝕性及更好的減噪作用,聲音更輕,耐磨性,抗疲勞性等都更好的特點。
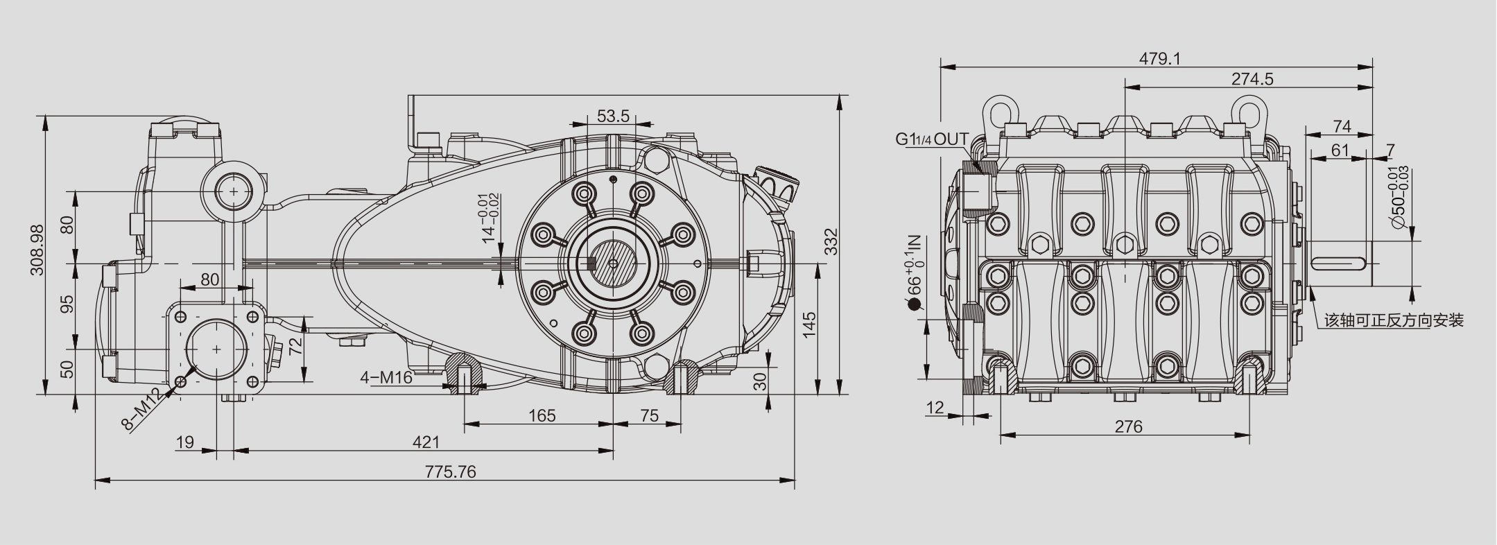
FV分解圖


FV55分解圖










